Lenovo ThinkCentre M71e, ThinkCentre Edge 72

5.0/1
SKU: 12274
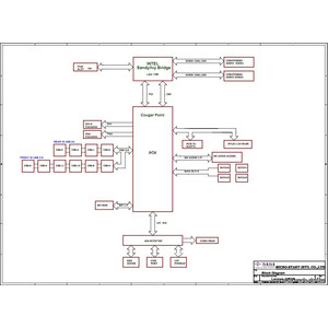
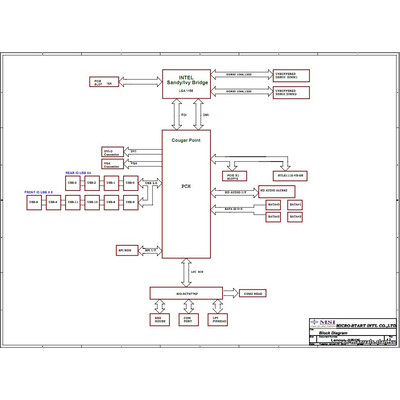
Schematic diagram for PC's Lenovo ThinkCentre M71e / ThinkCentre Edge 72 Project: MSI MS-7687
4.50eur
3.75eur

Schematic diagram for PC's Lenovo ThinkCentre M71e / ThinkCentre Edge 72

Project: MSI MS-7687

Schematic diagrams for PCB marked IH61M

Format: PDF

Total pages: 33

+ BoardView

The program for viewing is attached.