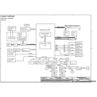
Lenovo IdeaCentre A540, IdeaCentre A740

5.0/1
SKU: 12293
Schematic diagrams for All-in-One PCs Lenovo IdeaCentre A540 / A740 Project: LA-B031P
2.50eur

Schematic diagrams for All-in-One PCs Lenovo IdeaCentre A540 / IdeaCentre A740

Project: Compal LA-B031P

Schematic diagrams for PCB marked ZAA50/70 LA-B031P

Format: PDF

Total pages: 57