Dell Inspiron 3537, Inspiron 5537

5.0/1
SKU: 05193
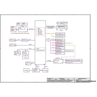
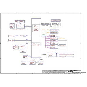
Schematic diagrams for Laptops Dell Inspiron 3537 / 5537 Project: LA-9981P
4.50eur
3.75eur

Schematic diagrams for Laptops Dell Inspiron 3537 / Dell Inspiron 5537

Project: Compal LA-9981P

Schematic diagrams for PCB marked VBW00 LA-9981P

Format: PDF

Total pages: 55

+ BoardView   Rev: 1.0

The program for viewing is attached.