Dell Latitude E5540

5.0/3
SKU: 05273
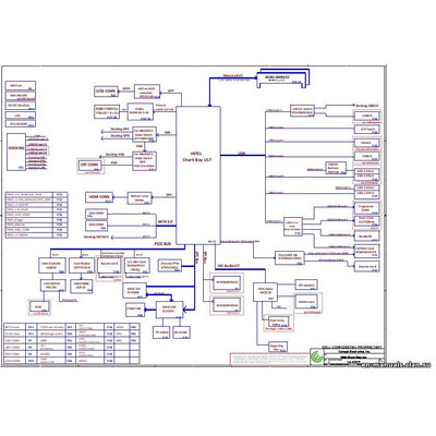
Schematic diagrams for Laptop Dell Latitude E5540 Project: Compal LA-A101P
4.50eur
3.50eur

Schematic diagrams for Laptop Dell Latitude E5540

Project: Compal LA-A101P   Rev: 1.0 (A00)

Schematic diagrams for PCB marked VAW50 LA-A101P

Format: PDF

Total pages: 65

+ BoardView   Rev: 1.0 (A00)

Format: PDF and CAD

The program for viewing is attached.