Lenovo Z41-70 / Lenovo Z51-70

5.0/4
SKU: 12322
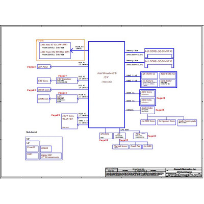
Schematic diagrams for Laptops Lenovo Z41-70 / Z51-70 Project: Compal LA-C281P
4.50eur
3.75eur

Schematic diagrams for Laptops Lenovo Z41-70 / Lenovo Z51-70

Project: Compal LA-C281P   Rev: 1.0

Schematic diagrams for PCB marked AIWZ0/Z1 LA-C281P

Format: PDF

Total pages: 50

+ BoardView   Rev: 1.0

The program for viewing is attached.