Dell Inspiron 620 & OptiPlex 390, 3010 & Vostro 260

5.0/2
SKU: 05300
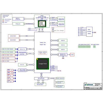
Schematic diagrams for Desktop PCs Dell Inspiron 620 / OptiPlex 390, 3010 / Vostro 260 Project: MIH61R
4.50eur
3.75eur

Schematic diagrams for Desktop PC's Dell Inspiron 620 / Dell OptiPlex 390 / Dell OptiPlex 3010 / Dell Vostro 260

Project: Wistron ' MIH61R '

Schematic diagrams for PCB marked MIH61R MB 10097-1

Format: PDF

Total pages: 51

+ BoardView   Rev: A00   (multilayer, with full factory markings of names and parameters of electronic components)

The program for viewing is attached.