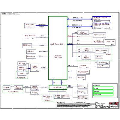
Schematic diagrams for Laptops Lenovo Yoga 530-14ARR / Lenovo IdeaPad Flex 6-14ARR
Project: NM-B781 Rev: 1.0
Schematic diagrams for PCB marked EYG11-ES433-ES434-EYG21 NM-B781
Format: PDF
Total pages: 48
+ Sub-boards schematic diagrams
+ BoardView Rev: 1.0
The program for viewing is attached.