Lenovo Legion Y920-17IKB

5.0/1
SKU: 12457
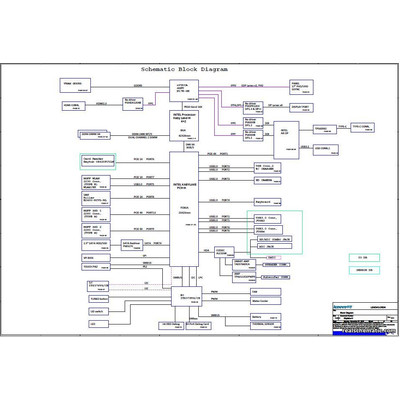
Schematic diagrams for Laptop Lenovo Legion Y920-17IKB Project: NM-B311
4.50eur
3.50eur

Schematic diagrams for Laptop Lenovo Legion Y920-17IKB

Project: NM-B311

Schematic diagrams for PCB marked DY730 NM-B311

Format: PDF

Total pages: 99

+ BoardView   Rev: 1.0

The program for viewing is attached.