Lenovo ThinkPad 11e Yoga 5th Gen

5.0/1
SKU: 12484
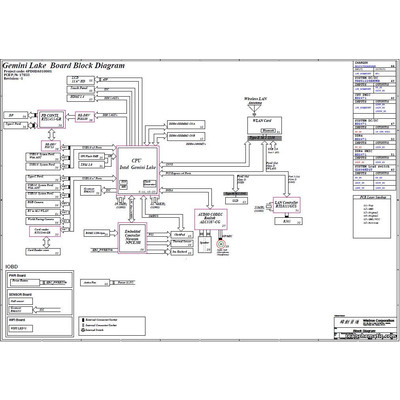
Schematic diagrams for Laptops Lenovo ThinkPad 11e 5th Gen, ThinkPad 11e Yoga 5th Gen
4.50eur
3.75eur

Schematic diagrams for Laptops Lenovo ThinkPad 11e 5th Gen / Lenovo ThinkPad 11e Yoga 5th Gen

Project: Wistron ' LLA-1 '

Schematic diagrams for PCB marked LLA-1 17833-1M

+ Sub-boards schematic diagrams 17A54-1, 17A55-1

Format: PDF

Total pages: 109

+ BoardView   Rev: -1M

The program for viewing is attached.