Acer Nitro 5 AN515-55 AN517-52 Predator PH315-53

5.0/5
SKU: 00620
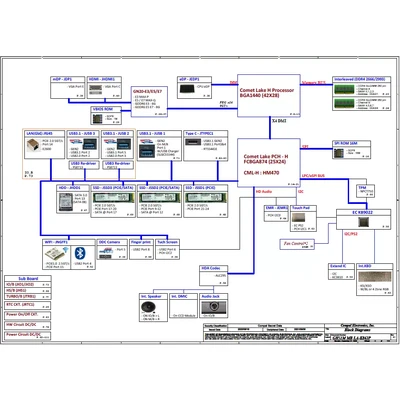
Schematic diagrams for Laptops Acer Nitro 5 AN515-55, AN517-52, Predator PH315-53 Project: LA-K862P
4.50eur
3.75eur

Schematic diagrams for Laptops Acer Nitro 5 AN515-55 / Acer Nitro 5 AN517-52 / Acer Predator Helios 300 PH315-53

Project: Compal LA-K862P   Rev: 1A

Schematic diagrams for motherboard marked GH51M LA-K862P

Format: PDF

Total pages: 112

+ BoardView   Rev: 1A

The program for viewing is attached.

 

BoardView is a layout of components on a printed circuit board (PCB) with a wide range of repair functions.