Lenovo ThinkPad T14s Gen 2 ThinkPad X13 Gen 2

5.0/1
SKU: 12545
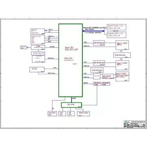
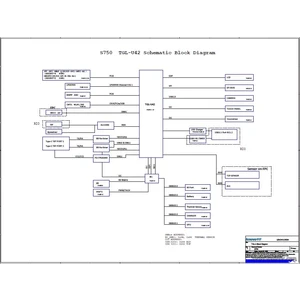
Schematic diagrams for Laptops Lenovo ThinkPad T14s Gen 2 / X13 Gen 2 Project: NM-D361 / NM-D362
  • Manufacturer: Lenovo
  • CPU: Intel Tiger Lake
  • VGA: UMA
  • RAM: LPDDR4X
  • SKU: 12545
  • Unit: pcs
  • Size: 3.44Mb
  • Availability: In stock
  • Tags: thinkpad, X13, T14s, Lenovo
5.25eur
4.25eur

Schematic diagrams for Laptops Lenovo ThinkPad T14s Gen 2 / Lenovo ThinkPad X13 Gen 2

Project: NM-D361 / NM-D362

Schematic diagrams for motherboards marked HT4B1/HX3B0 NM-D361, HT4B1/HX3B0 NM-D362

Format: PDF

Total pages: 130

+ BoardView   Rev: 1.0   ( shows the values / labeling of the components )

The program for viewing is attached.

 

BoardView is a layout of components on a printed circuit board (PCB) with a wide range of repair functions.