Dell G7 17 7700 series

5.0/3
SKU: 05469
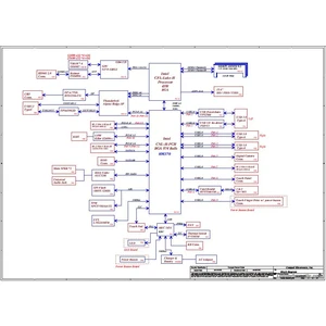
Schematic diagrams for Laptops Dell G7 17 7700 series Project: HELA17 N18E
  • Manufacturer: Pegatron
  • CPU: Intel Comet Lake H
  • GPU: Nvidia N18E
  • RAM: DDR4
  • SKU: 05469
  • Unit: pcs
  • Size: 2.75Mb
  • Availability: In stock
  • Tags: G7 17, Pegatron, 7700, DELL
5.25eur
4.50eur

Schematic diagrams for Laptops Dell G7 17 7700 series

Project: HELA17 N18E

Schematic diagrams for motherboard marked HELA17_N18E_115W_MB

Format: PDF

+ schematic diagrams for IO Board

Total pages: 94

+ BoardView for Mainboard   Rev: A00

+ BoardView for IO Board   Rev: A00

Format: CAD

The program for viewing is attached.

 

BoardView is a layout of components on a printed circuit board (PCB) with a wide range of repair functions.