Dell Inspiron 14 Plus 7420 2-in-1 PCB: 213210-1

5.0/1
SKU: 05518
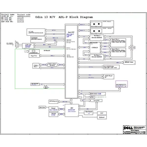
Schematic diagrams for Laptop Dell Inspiron 14 Plus 7420 2-in-1 Project: Wistron ' Odin 16 ADL-P H '
  • Manufacturer: Wistron
  • CPU: Intel Alder Lake H
  • GPU: Nvidia GN20 / UMA
  • RAM: DDR5
  • SKU: 05518
  • Unit: pcs
  • Size: 4.96Mb
  • Availability: In stock
  • Tags: wistron, 7420, Inspiron, 14 Plus, DELL, 2-in-1
5.25eur
4.50eur

Schematic diagrams for Laptop Dell Inspiron 14 Plus 7420 2-in-1

Project: Wistron ' Odin 14 ADL-P H '

Schematic diagrams for motherboard marked ODIN_ADL-H_GTX_14N_EC 213210-1

Format: PDF

Total pages: 106

+ BoardView   Rev: 1

Format: CAD full   ( shows the values / labeling of the components )

The program for viewing is attached.

 

BoardView is a layout of components on a printed circuit board (PCB) with a wide range of repair functions.