Lenovo Yoga Slim 7 ProX 14ARH7 PCB: NM-E591

5.0/1
SKU: 12672
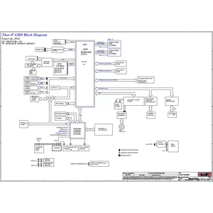
BoardView for Laptop Lenovo Yoga Slim 7 ProX 14ARH7 Project: NM-E591
  • Manufacturer: Lenovo
  • CPU: AMD Rembrandt H
  • VGA: Nvidia GN20 / UMA
  • RAM: LPDDR5
  • SKU: 12672
  • Unit: pcs
  • Size: 2.26Mb
  • Availability: In stock
  • Tags: Yoga, Slim, Lenovo, 14ARH7, ProX
5.25eur

BoardView for Laptop Lenovo Yoga Slim 7 ProX 14ARH7

Project: NM-E591   Rev: 1.0

BoardView for motherboard marked JS47BJS47C NM-E591

Two sides.

Shows component markings / values, electrical circuits between components, and other details.

The program for viewing is attached.

 

BoardView is a layout of components on a printed circuit board (PCB) with a wide range of repair functions.

 

A schematic electrical diagram in PDF format is available for order (price on request).