Realschematic
Online Shop
Info
F.A.Q.
Contact Us
BIOS request
Also available
EC Programmer
Channel in Telegram
Our store in Telegram
Advanced search section
Discounts and special offers
Schematic and BoardView request
Tools for HDD/SSD Data Recovery
Log In
|
Sign Up
New: Our store in Telegram !
Search
Log In
|
Sign Up
Shopping cart
Your shopping cart is empty
Go to catalog to choose products or find what you need using the search option
Go to catalog
Home
»
Online Shop
»
All schematics and BoardView
»
Lenovo / IBM
Lenovo IdeaPad G560e
5.0
/
1
Compare
SKU: 12068
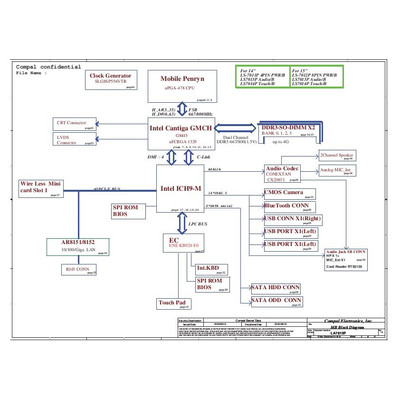
Schematic diagrams for Laptop Lenovo IdeaPad G560e Project: LA-7012P
Manufacturer:
Compal
SKU:
12068
Unit:
pcs
Size:
1.43Mb
Availability:
In stock
Tags:
boardview
,
Compal
,
IdeaPad
,
Lenovo
,
PAW20
,
PDF
,
G560e
4.50eur
3.75eur
Add to cart
Description
Images
Schematic diagrams for Laptop Lenovo IdeaPad G560e
Project: Compal LA-7012P Rev: 1.0
Schematic diagrams for PCB marked PAW20 LA-7012P
Format: PDF
Total pages: 41
+ BoardView Rev: 1.0
The program for viewing is attached.