Realschematic
Online Shop
Info
F.A.Q.
Contact Us
BIOS request
Also available
EC Programmer
Channel in Telegram
Our store in Telegram
Advanced search section
Discounts and special offers
Schematic and BoardView request
Tools for HDD/SSD Data Recovery
Log In
|
Sign Up
New: Our store in Telegram !
Search
Log In
|
Sign Up
Shopping cart
Your shopping cart is empty
Go to catalog to choose products or find what you need using the search option
Go to catalog
Home
»
Online Shop
»
All schematics and BoardView
»
Samsung
Samsung RV408 / Samsung RV410
5.0
/
1
Compare
SKU: 07027
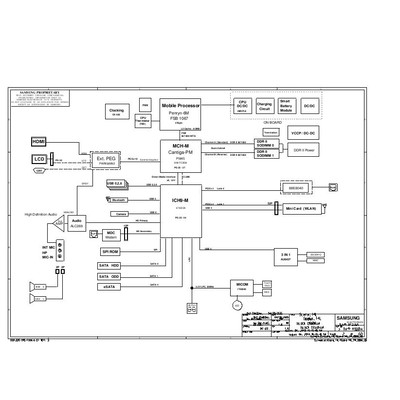
Schematic diagrams for Laptops Samsung RV408, RV410 Project: ' Scala_14L '
Manufacturer:
Samsung
SKU:
07027
Unit:
pcs
Size:
2.06Mb
Availability:
In stock
Tags:
PDF
,
RV410
,
Scala_14L
,
Samsung
,
boardview
,
RV408
4.50eur
3.50eur
Add to cart
Description
Images
Schematic diagrams for Laptops Samsung RV408 / Samsung RV410
Project: ' Scala_14L '
Schematic diagrams for PCB with markings BA41-01334A, BA41-01335A, BA41-01336A
Format: PDF
Total pages: 56
+ BoardView
The program for viewing is attached.