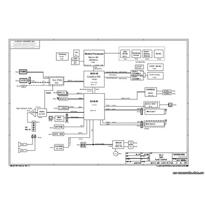
Samsung NP-R70 / Samsung NP-R71

4.0/1
SKU: 07035
Schematic diagrams for Laptops Samsung NP-R70 / NP-R71 Project: ' OSLO '
2.50eur

Schematic diagrams for Laptops Samsung NP-R70 / Samsung NP-R71

Project: ' OSLO ' Rev 1.2

Schematic diagrams for PCB with markings BA41-00711A, BA41-00712A

Format: PDF

Total pages: 60