Lenovo IdeaPad Y470 Y470P Y570

4.0/1
SKU: 12180
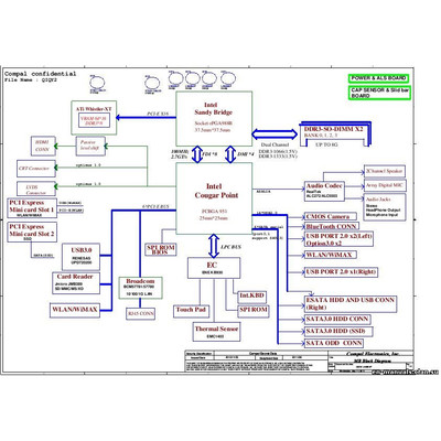
Schematic diagrams for Laptops Lenovo IdeaPad Y470 / Y470P / Y570 Project: LA-6884P
2.50eur

Schematic diagrams for Laptops Lenovo IdeaPad Y470 / IdeaPad Y470P / IdeaPad Y570

Project: Compal LA-6884P   Rev: 1.0

Schematic diagrams for PCB marked QIQY2 LA-6884P

Format: PDF

Total pages: 60