Dell Latitude 3540

5.0/1
SKU: 05230
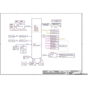
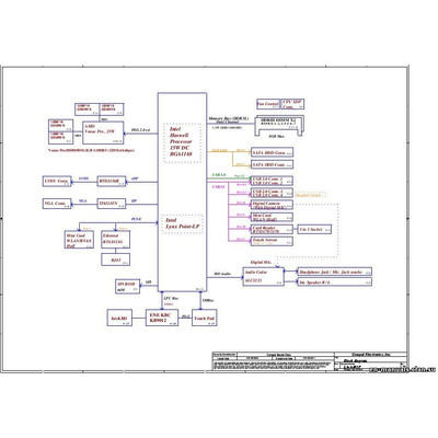
Schematic diagrams for Laptop Dell Latitude 3540 Project: Compal LA-A491P
4.50eur
3.75eur

Schematic diagrams for Laptop Dell Latitude 3540

Project: Compal LA-A491P

Schematic diagrams for PCB marked ZAL00 LA-A491P

Format: PDF

Total pages: 58

+ BoardView   Rev: 1.0 (A00)

The program for viewing is attached.