HP ENVY 20'' TouchSmart

5.0/3
SKU: 08283
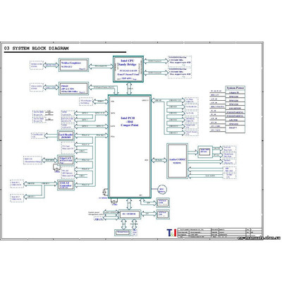
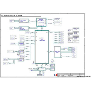
Schematic diagrams for All-in-One PC HP ENVY 20'' TouchSmart Project: T&I ' Larrybird-B '
2.50eur

Schematic diagrams for All-in-One PC HP ENVY 20'' TouchSmart

Project: T&I ' Larrybird-B '

Schematic diagrams for PCB marked 6050A2516301

Format: PDF

Total pages: 47