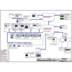
Acer Predator Helios 300 PH315-52 PH317-53

4.9/10
SKU: 00638
Schematic diagrams for Laptops Acer Predator Helios 300 PH315-52, PH317-53 Project: Covini-A
5.25eur
4.50eur

Schematic diagrams for Laptops Acer Predator Helios 300 PH315-52 / Acer Predator Helios 300 PH317-53

Project: Inventec ' Covini-A '

Schematic diagrams for motherboard marked 6050A3087502-MB-A03(A3)

Format: PDF

+ Sub-boards schematic diagrams

Total pages: 129

+ BoardView for Mainboard   Rev: A03

+ BoardView for Sub-boards   Rev: A03

Format: CAD

The program for viewing is attached.

 

BoardView is a layout of components on a printed circuit board (PCB) with a wide range of repair functions.