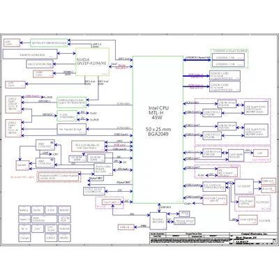
Dell Alienware X16 R2 PCB: LA-M41CP

5.0/1
SKU: 05548
Schematic diagrams for Laptop Dell Alienware X16 R2 Project: Compal LA-M41CP
  • Manufacturer: Compal
  • CPU: Intel Meteor Lake H
  • GPU: Nvidia GN21
  • RAM: LPDDR5X
  • SKU: 05548
  • Unit: pcs
  • Size: 3.62Mb
  • Availability: In stock
  • Tags: ALIENWARE, Compal, DELL, X16 R2
7.00eur
6.25eur

Schematic diagrams for Laptop Dell Alienware X16 R2

Project: Compal LA-M41CP   Rev: 1.0

Schematic diagrams for motherboard marked JDO60 LA-M41CP Rev:1.0(A00)

Format: PDF

Total pages: 150

+ BoardView   Rev: 1.0

Format: CAD full   ( shows the values / labeling of the components )

The program for viewing is attached.

 

BoardView is a layout of components on a printed circuit board (PCB) with a wide range of repair functions.