Acer Aspire Go AG15-31P Extensa EX215-34 PCB: Z8T

5.0/1
SKU: 00692
Schematic diagrams for Laptops Acer Aspire Go AG15-31P / Extensa EX215-34 series Project: Quanta Z8T
7.00eur
6.25eur

Schematic diagrams for Laptops Acer Aspire Go AG15-31P series / Acer Extensa EX215-34 series

Project: Quanta Z8T

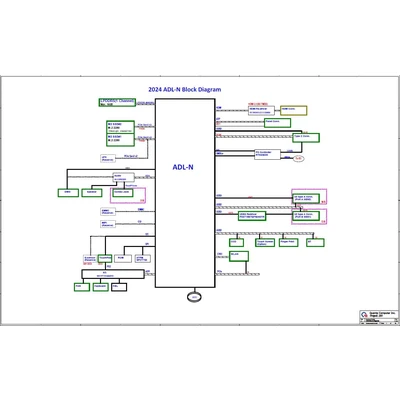
Schematic diagrams for motherboard marked Z8T DA0Z8TMB8D0 REV:D

Format: PDF

Total pages: 56

+ BoardView   Rev: D

Format: CAD full   ( shows the values / labeling of the components )

The program for viewing is attached.

 

BoardView is a layout of components on a printed circuit board (PCB) with a wide range of repair functions.