Lenovo Yoga Slim 7 Carbon 13ITL5 Yoga Slim 7-13ITL05

5.0/3
SKU: 12529
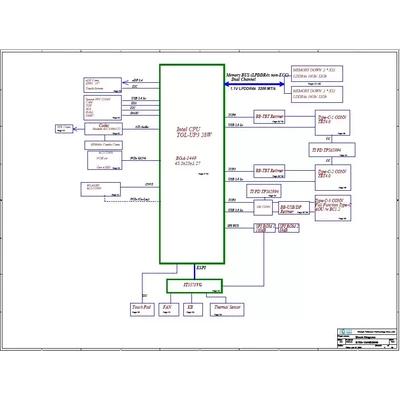
Schematic diagrams for Laptops Lenovo Yoga Slim 7 Carbon 13ITL5 / 7-13ITL05 Project: NB2608
  • Manufacturer: Huaqin
  • CPU: Intel Tiger Lake
  • GPU: UMA
  • RAM: LPDDR4X
  • SKU: 12529
  • Unit: pcs
  • Size: 3.51Mb
  • Availability: In stock
  • Tags: Lenovo, Slim, 13ITL5, carbon, Yoga, 7-13ITL05
5.25eur
4.50eur

Schematic diagrams for Laptops Lenovo Yoga Slim 7 Carbon 13ITL5 / Lenovo Yoga Slim 7-13ITL05

Project: Huaqin NB2608

Schematic diagrams for motherboard marked NB2608_MB_V4_PCB

Format: PDF

+ schematic diagrams for Sub-board NB2608_UB_V4_PCB

Total pages: 89

+ BoardView for Mainboard in PDF format   Rev: 4.0

+ BoardView for Sub-board NB2608_UB_V4_PCB in PDF format   Rev: 4.0

 

BoardView is a layout of components on a printed circuit board (PCB).