Dell Inspiron 16 7640 2-in-1 PCB: 233042

5.0/1
SKU: 05558
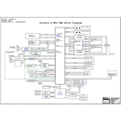
Schematic diagrams for Laptop Dell Inspiron 16 7640 2-in-1 Project: Wistron ' Polaris N16 MTL UMA '
  • Manufacturer: Wistron
  • CPU: Intel Meteor Lake H
  • GPU: UMA
  • RAM: LPDDR5X
  • SKU: 05558
  • Unit: pcs
  • Size: 2.05Mb
  • Availability: In stock
  • Tags: 2-in-1, wistron, DELL, 7640, Inspiron
7.00eur
6.25eur

Schematic diagrams for Laptop Dell Inspiron 16 7640 2-in-1

Project: Wistron ' Polaris N16 MTL UMA '   Rev: 1

Schematic diagrams for motherboard marked 233042-1 Polaris N16 2in1 MTL MB

Format: PDF

Total pages: 106

+ BoardView   Rev: 1

Format: CAD full   ( shows the values / labeling of the components )

The program for viewing is attached.

 

BoardView is a layout of components on a printed circuit board (PCB) with a wide range of repair functions.