MSI GF75 Thin 9SD 9SE GS75 Stealth 10SF MS-17G3

5.0/1
SKU: 02685
BoardView for Laptops MSI GF75 Thin 9SD / 9SE & MSI GS75 Stealth 10SF & MSI MS-17G3
  • Manufacturer: MSI
  • CPU: Intel Coffee Lake H / Comet Lake H
  • GPU: Nvidia N18E / N19E
  • RAM: DDR4
  • SKU: 02685
  • Unit: pcs
  • Size: 140.9Kb
  • Availability: In stock
  • Tags: 9SE, Thin, 10SF, MSI, GF75, Stealth, 9SD, GS75
5.25eur
4.25eur

BoardView for Laptops MSI GF75 Thin 9SD / 9SE & MSI GS75 Stealth 10SF & MSI MS-17G3 series

Project: MSI MS-17G31   Rev: 1.0

BoardView for motherboard marked MS-17G31 VER:1.0

Two sides

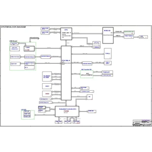
Format: CAD full   ( shows the values / labeling of the components )

Shows positional designations, electrical circuits between components, and other details.

The program for viewing is attached.

 

BoardView is a diagram of the layout of components on a printed circuit board (PCB).